cd@cosimoinc.com
+86-28-87319898
首页
产品中心
新闻资讯
成功案例
资料中心
公司简介
联系我们
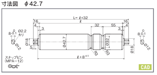
KYOWA协和 自由滚轮 圆槽规格φ42.7
首页
产品中心
KYOWA协和
自由滚轮
产品目录
OTSUKA大塚电子
测量仪器
分析仪器
SIBATA柴田
科学仪器
环境测量设备
玻璃器皿
TAKAMORI高森
糖度计
酸度计
NICHIRI日理
液态氯化物子系统
液相色谱
MICROTECH
水净化系统
残留氯仪
浊度计
粒子计
SUN-KAGAKU太阳科学
电阻仪
KIKUCHI菊池
显微镜
MEIJI明治
相机
显微镜
山本镀金
刷子镀层
阳极袋
止音器
加热器
温度控制器
振荡器件
过滤器与搅拌器
电源
电镀设备
桶
晶圆
分析仪
均匀电沉积测试仪
应力计
霍尔单元
KEM京都电子
环境设备
热能设备
分析仪器
IIJIMA饭岛电子
薄层色谱
溶解氧仪
血氧仪
KUBOTA久保田
冷冻干燥机
自动清洗机
离心机
YAZAWA矢泽科学
物理化学设备
玻璃器皿
KETT凯特
金属探测器
薄膜厚度计
物理性质测量设备
外观分析仪器
成分分析仪
湿度计
HORIBA堀场
pH计
工厂废气分析仪
AMC监控系统
液体浓度监测仪
等离子监测仪
光罩异物检测
自动晶圆检测设备
真空计
自动压力调节器
液态材料汽化系统
质量流量控制器
DKK-TOA东亚电波
便携式分析仪
医疗设备
大气与废气分析仪
水质分析设备与系统
石油分析仪器
锅炉水分析仪
水与污水测量仪器
基础工艺仪器
便携式分析仪
实验室分析仪器
Takemura Electric竹村电机
测量仪器
土壤湿度计
多功能电表
EC表
pH计
土壤酸度仪
Kyowa Interface协和界面
摩擦仪
表面张力计
接触角计
T-Dilex迪莱克
滤波器
移动测量
空气环境测量
Kiriyama桐山製作所
反应装置
色谱柱
置换装置
提取设备
升华净化设备
蒸馏设备
过滤设备
CHINO千野
仪表组件
无线设备
单相晶闸管调整器
记录仪
调节仪
手持记录器
气体传感器
水分厚度计
湿度计
热成像测量装置
温度校正装置
红外温度仪
温度传感器
ITOH伊藤制作所
密度计
筛分机
研钵
研磨介质
研磨容器
粉碎机
Takao高尾
工业用陶瓷
流量计
粘度计
物理和化学设备
水平仪
chuorika中央理化
安全视窗
泵
空气电机
搅拌装置
Meitec美泰克
润滑脂测试仪
石油产品试验器
凝点测试仪
软化点测试仪
蒸馏测试仪
Shimadzu岛津
液相色谱质谱联用仪
液相色谱仪
TAITEC泰特克
气体培养箱
摇摆机
搅拌器
冷冻干燥机
孵化器
电泳装置
BOD测量机
冷却器
工业冷水机
破碎机
离心浓缩器
恒温烤箱
恒温振动器
恒温罐
SUZUKEN铃研
过氧酸浓度计
水质仪
化粪池水质仪
PH计
余氯计
NISSINRIKA日伸理化
pH控制器
温板
恒温槽
微板震动器
搅拌机
ISUZU五十铃
恒温测试机
工业恒温测试仪
恒温恒湿测试仪
KOKUSAN科库森
分离器
离心机
日本ALP
冷凝土壤干燥机
烘干机
恒温器
干热消毒器
反应灭菌器
高压灭菌器
KOTOHIRA琴平
小型集尘器
无尘室设备
THOMAS托马斯
循环泵
烘干机
恒温摇动罐
专用恒温水箱
恒温液体罐
自装式手持散热器
恒温水箱
低温恒温水槽
循环式手持散热器
nichiryo立洋
耗材配件
加样器
移液器
Ashizawa芦泽精工
实验机
KYOWA共和电业
应变仪
位移计
接缝计
应力计
钢筋计
水位计
倾斜计
间隙水压计
地球压力表
力传感器
位移传感器
扭矩传感器
压力传感器
加速度传感器
载荷传感器
应变片
YOSHIMITSU小平
涂布机
FLUORO福乐
芯片夹
真空泵
真空吸嘴
SMT
搅拌机
超声波清洗机
超声波分散器
压力均质器
sankyo seisakusho三共
扭矩限制器
送料机
驱动器
数控旋转台
定位器
DAIKIN大金液压
油冷却机
控制阀
泵
液压单元
OGURA小仓
离合器
MUSASHI武藏
针筒
喷嘴
其他点胶装置
周边机器、附件
点胶阀
直角坐标机械臂
点胶机
全自动涂布装置
MICROSTONE微石
机械振动产品
人体运动产品
美国MW Industries, Inc
垫圈
金属冲压
角括号
紧固件
LEPTRINO
切割测功机
力板
六轴力传感器
SINFONIA昕芙旎雅
零件供料机
振动机
马达
离合器
Osaka Vacuum大阪真空
真空泵
分子泵
日东电工NITTO
膜产品
FPD与触摸面板
包装胶带及胶带贴合器
多孔板材/通风材料
电子元件用的磁带
建筑材料
遮蔽胶带
密封材料
表面保护膜
双面胶带
LINTEC琳得科
燃气加热器
蒸发器
液体质量流量控制器
质量流量控制器
KOFLOC 科赋乐
气体混合仪
液体专用流量计
压力控制阀
流量控制阀
浮子流量计
质量流量控制器
DIT东日技研
噪声滤波器
测量与监测系统
离子喷嘴与枪
离子鼓风机
离子杆
FUSO扶桑精机
喷嘴
YODOGAWA淀川
吹风集尘工作台
带集尘器的工作台
磨床和去毛刺机
集尘器
电动鼓风机
FUJIKIN富士金
泄压阀
止回阀
自动阀
手动阀
EMP榎本
液体泵
气泵
EBARA荏原机械
鼓风机
水泵
SR-ENGINEERING工程
连接器
换模系统
液压夹钳
液压泵
MAKE麦克
显示设备
水位计
液位计
电平开关
NEW-ERA新时代
汽车电气元件
机器人端执行器
电子控制产品
气动设备产品
IWAKI易威奇
其他水泵
微型液体隔膜泵
空气泵
旋转正排量泵
空气驱动隔膜泵
气动波纹管泵
线性泵
电磁驱动计量泵
电动计量泵
马格里布水泵
磁性泵
OKANO冈野
压力测量仪器
真空测量设备
SURUGA骏河精机
光纤耦合
光学传感器
手动载物台
自动载物台
FUJI Electric富士电机
真空接触器·真空断路器
自动功率调整器、电力管理机器、数字式多功能继电器
功率MOSFET
电源控制IC
功率半导体
交流接触器用部件
定时器、计数器
控制继电器
按钮开关
回路保护器、小型断路器
电动机起动器
塑壳式断路器、漏电断路器
交流电调整器
交流接触器、交流开关
气体分析仪
温度调节器
人机界面
可编程控制器
马达
中低压变频器
超声波流量计
日本Ashizawa
实验机
日本Luceo鲁机欧
极化镜
超宽带域波长板
波长板
偏光板
THOMAS科学器械(株)
低温介质流体
加热预防装置
循环泵
干衣机
摇晃机,恒温摇动罐
专用恒温水箱
温度计测试罐和恒温液体罐
自装式手持散热器
恒温水箱与恒温油箱
低温恒温汇
循环式手持散热器
NICHIRYO立洋(株)
漩涡混合器
自动配药机
分配器
微量移液器
大明化学工業(株) (TAIMEI)
化学材料
MIYUKI美幸辉
真空泄压阀
真空L型阀
真空直阀
真空门阀
真空蝶阀
压力控制阀
压力控制控制器
INFLIDGE英富丽
LED光源装置
紫外线照射设备
卤素加热器
空气加热器
CEJN希恩
TLX接头
X系列接头
呼吸接头
直插式快接
超高压旋转接头
超高压接头
LQC 接头
标准快速接头
气动接头
美国CPU
开放式连接器
无菌接头
Staubli史陶比尔
软管连接件
转换头
快速接头
干式接头
德国DI-SORIC
视觉传感器
传感器
日本T&T
分光光度计
照度计
显示器
液位传感器
负载传感器
压力传感器
重量传感器
漏液传感器
德国OPTRIS
红外应用套件
红外热像仪
红外温度计与热度计
ASAHI-SPECTRA朝日分光
光导
透镜
测量设备
光源装置
冷滤
ND滤镜
长通滤波器
短通滤波器
带通滤波器
美国派克PARKER
过渡接头
TOKIMEC东机美
射频设备
道路测量设备
惯性传感器
流量计和液体计
液压控制
海事设备
SUN-KAGAKU 太阳科学
电阻仪
HIRA CERAMICS比良陶瓷
陶瓷
NIKKATO 日陶科学
温度传感器
陶瓷
NDK电色
色度计/光度计
EMIC爱美克
磁性颗粒检测
ADCMT爱德万
温度传感器
扫描卡
光功率计
电子测量仪器
FUJICON富士
冲压机
CHUKOH中兴化成
PTFE加工材料
建筑膜材料
高处理胶片
多孔产品
管道
包铜层压板
工业胶带
耐热带
织物
MISAKA米卡萨
计数器接口
旋转编码器
数字测距器
高精度角度编码器
线性编码器(屏蔽型)
线性编码器(开放型)
显影设备
对准器
旋转器
MATSUO松尾电气
热定时器
恒温器
温度传感器
KASHIYAMA樫山工业
真空泵
KURABO仓纺
传感器
搅拌机
SHOWA昭和电机
集尘器
烟雾收集器
V型皮带驱动鼓风机
直驱鼓风机
SEM坂本电机
自动精密调平台
独立倾斜仪
双轴式精密数字水平仪
KYOWA协和
交流电机皮带轮
自由滚轮
交流电机滚轮
直流脉冲滚轮
ACCRETECH 东京精密
摩擦测试仪
ULVAC爱发科
高速光谱椭偏仪
检漏仪
气体分析仪
电容压力计
冷阴极电离真空计
热阴极电离真空计
皮拉尼真空计
真空排气装置
油扩散真空泵
溅射离子泵
涡轮分子泵
超级冷阱
冷凝泵
真空泵油
真空排气装置
机械助力泵
油旋转真空泵
旋转翼型干式真空泵
振荡活塞式干式真空泵
隔膜式干式真空泵
滚管干式真空泵
多级根式干式真空泵
螺旋式真空泵
天然氧化物薄膜去除装置
微喷气冻干机
KOTOHIRA琴平
集尘器
洁净室设备
YAMABISHI山菱电机
频率转换器
再生电源 直流安定化电源
不间断电源
KYORITSU共立机巧
搅拌机
罐
隔膜泵
手持泵
SATOVAC佐藤
真空干燥设备
真空计
真空泵
HEIDON新东科学
摩擦仪
失真度测试仪
搅拌机
CCS晰写速
微距镜头
远心镜头
电源控制器
频闪电源
数字电源
泛光光源
RGB光源
检测用光源
基准光源
线光源
光源机
光纤照射头
聚光光源
红外光源
紫外光源
超亮频闪光源
同轴光源
圆顶光源
平面光源
方形低角度光源
条形光源
环型光源
SONIC索尼克
深度计
流量计
风速计
EXCEL艾库斯
听音机
ONO SOKKI小野测器
转换器
噪音计
转速计
传感器
振动测量仪
ANALYZER第一热研
控制器
传感器
氧气分析仪
氧气浓度计
TOKI SANGYO东机产业
粘度计
HONDA本多电子
超声波液位计
超声波流量计
测深仪
超声波清洗机
超声波切割机
IIJIMA饭岛电子
分析仪
浓度计
SUGIYAMA杉山电机
传感器测头
错误检测器
光栅传感器
光线传感器
回路传感器
弹簧传感器
TOHNICH东日
扭力计
扭力螺丝刀
扭力扳手
NGK
调节器
氧化锆氧分析仪
WATSON深江化成
注射器
填料接头
移液器
TOPCON拓普康
色度计
照度计
OHKURA大仓
无纸记录仪
温控表
水质检测仪
数字电导率仪
温度变送器
传感器
水位计
流量控制器
MALCOM马康
测试仪
锡膏搅拌机
比重计
粘度计
NPM日脉
同步电机
步进电机
FLUORO福乐
真空吸笔
真空镊子
NEWKON新光
钢印机
NS精密科学
无脉动柱塞泵
单柱塞泵
双柱塞泵
微型柱塞泵
高流量柱塞泵
防暴柱塞泵
KASUGA春日电机
高压电源
离子风棒
静电消除器
离子风机
SANKO山高
膜厚仪
探测器
Sugiyama杉山电机
错误检测器
传感器
FUNATECH船越龙
表面检查灯
SIMCO思美高
静电测量仪
USHIO牛尾
受光器
紫外线灯管
照度计
THINKY新基
搅拌机
TORAY东丽
氧气分析仪
Kakuhunt写真化学
搅拌机
REVOX莱宝克斯
光源装置
AND爱安德
称重传感器
电子天平
SEN日森特殊光源
紫外线清洗灯
UV固化灯
冷阴极笔式灯
安定器
UV固化装置
紫外线灯管
SAKAGUCHI坂口电热
温控器
热风枪
加热器
KYOWA协和 自由滚轮 圆槽规格φ42.7
KYOWA协和 自由滚轮 圆槽规格φ42.7KYOWA协和 自由滚轮 圆槽规格φ42.7
cd@cosimoinc.com
+86-28-87319898
产品详情
Product Detail
KYOWA协和 自由滚轮 圆槽规格φ42.7
KYOWA协和 自由滚轮 圆槽规格φ42.7