日本CCS西西斯 远心镜头 SE-110ST40日本CCS西西斯 远心镜头 SE-110ST40产品详细信息外观尺寸Outer diameter 18 mm光学倍率x4.0WD110.02 mm景深0.2 mm光学分辨率6.6 μmNA0.051有效F值(Fe)39.5TV失真0.01%物像间距离212.5 mm相机支架C mount最大适用图像传感器尺…
日本CCS西西斯 远心镜头 SE-110ST40
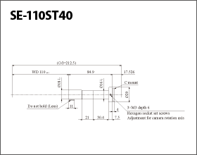
日本CCS西西斯 远心镜头 SE-110ST40
| 外观尺寸 | Outer diameter 18 mm |
|---|---|
| 光学倍率 | x4.0 |
| WD | 110.0±2 mm |
| 景深 | 0.2 mm |
| 光学分辨率 | 6.6 μm |
| NA | 0.051 |
| 有效F值(Fe) | 39.5 |
| TV失真 | 0.01% |
| 物像间距离 | 212.5 mm |
| 相机支架 | C mount |
| 最大适用图像传感器尺寸 | 1/1.8 inch |
| 视野(图像传感器尺寸) | Refer to the information here. |
| 适合规格 | RoHS |
| 使用温湿度 | Temperature: 0 to 40°C, Humidity: 85%RH (with no condensation) |
| 保存温湿度 | Temperature: -20 to 60°C (with no condensation) |
| 重量 | 45 g max. |
| 附属品 | 使用说明书 |
| 备注 | Straight type. The depth of field is obtained with 40 μm permissible circle of confusion. The resolving power was obtained at a wavelength of 550 nm. These specifications are numeric values based on optical design. Actual values will vary with physical factors such as the assembly accuracy. |
