日本CCS西西斯 RGB光源 HPR2-50XX-DV4SM8日本CCS西西斯 RGB光源 HPR2-50XX-DV4SM8产品详细信息LED发光颜色"XX" in the model name indicates the LED color with one of the following letters: SW (white) or RD (red).峰值发光波长RD: 635 nm typ.…
日本CCS西西斯 RGB光源 HPR2-50XX-DV4SM8
日本CCS西西斯 RGB光源 HPR2-50XX-DV4SM8
| LED发光颜色 | "XX" in the model name indicates the LED color with one of the following letters: SW (white) or RD (red). |
|---|---|
| 峰值发光波长 | RD: 635 nm typ., SW: 6,000 K typ. |
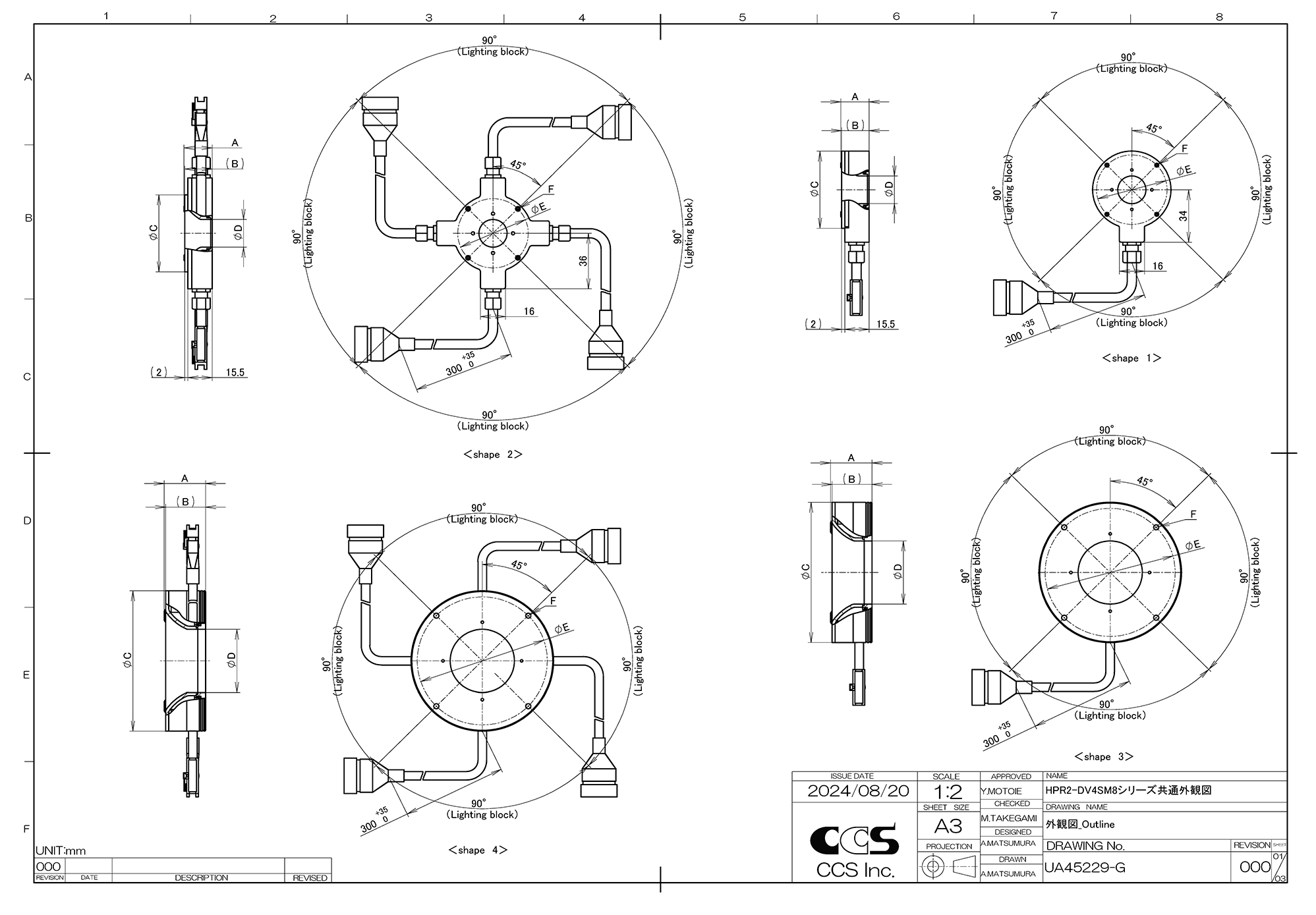
| 外观尺寸 | Outer diameter 50 mm, Inner diameter 18 mm, Height 18 mm |
| 输入电压 | 24 VDC |
| 消耗功率 | RD: 7.2 W max., SW: 8.16 W max. |
| 极性, 信号 | 1: (+), 2: (-), 3: (+), 4: (-), 5: (+), 6: (-), 7: (+), 8: (-) |
| 线缆长度 | 300 mm |
| 输入端口 | SMR-08V-B |
| 适合规格 | CE, RoHS |
| 使用温湿度 | Temperature: 0 to 40℃, Humidity: 20% to 85%RH (with no condensation) |
| 保存温湿度 | Temperature: -20 to 60℃, Humidity: 20% to 85%RH (with no condensation) |
