NFK南国工业株式会社 柔性软管 NK-RB-D
NFK南国工业株式会社 柔性软管 NK-RB-D
用途
吸震 吸收
管道
伸缩位移的吸噪 吸噪
卓越的振动隔离效果和耐压性

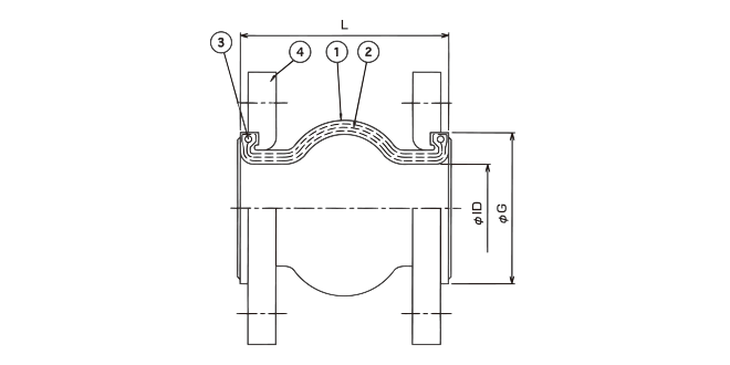
| 编号 | 产品名称 | 材料 |
|---|---|---|
| 1 | 车身橡胶 | EPDM |
| 2 | 加固绳 | 合成纤维 |
| 3 | 加固环 | 西南海岸 |
| 4 | 法兰 | SS400 |
标准产品使用JIS10K法兰。 我们还能处理JIS5K、JIS20K、水、JPI、ANSI及其他标准法兰。
法兰材料为标准SS4OO材质。 SUS304、SUS316、SUS316L、S25C、PVC等都有。
关于PVC法兰,请参阅下方“处理注意事项”。
也可以用拉杆瓶来生产。 (拉杆还可以配备球形座、球形螺母、缓冲材料等。) )
使用范围(压力、温度)

请在使用前确认最大工作压力和最高工作温度都在工作范围内。
油类和有机溶剂不能使用。
它不能用于热水供应管道。
它不能用作泳池用水。
它不能用于压力频繁波动的场所,比如加压和增压水泵的输送端。
基本上,你不能使用可能破坏橡胶弹性的液体或区域。 有必要考虑使用它。 请另行联系我们。
尺寸与允许排水量
*请在允许的位移范围内使用每种位移。
*安装时允许的尺寸数值已包含在允许排水量中。 (允许排水量=安装时的排水量+操作排水量)
*表中显示的每个排水量表示单一排水量的情况,因此在合并排水量的情况下需进行修正。